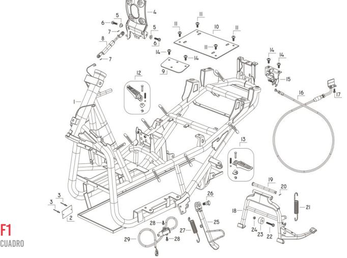
F1 CUADRO
1 Cuadro
2 VIN Placa
3 Remache
4 Brazo oscilante del asiento
5 T cojinete
6 Tornillo M6X16 (Redondo)
7 Pasador abierto
8 Barra de asiento
9 VCU placa instalación
10 Placa de instalación del cargador
11 Tornillo M6X16 (Plano)
12 Pedal derecho
13 Pedal izquierdo
14 Tornillo M6X12 (Plano)
15 Bloqueo de asiento
16 Cable de asiento
17 Tornillo de cruceta M5X12
18 Apoyo principal
19 Eje del apoyo principal M14X148
20 Clip del eje del soporte principal ø14
21 Resorte del soporte principal 100 mm
22 Perno M6X30
23 Tapa flexible caucho soporte principal
24 Tuerca M6
25 Pata de apoyo
26 Perno pata de apoyo M10X23
27 Resorte de la pata de apoyo 100mm
28 Perno de cruceta M5X16
29 Interruptor pata de apoyo














Deja un Comentario